2002 Dodge Ram 2500 Wiring Diagram
Dodge ram 2500 wiring diagram. Many things can cause steering.

2002 dodge 2500 diesel dome light wiring 2002 Dodge Ram
That's why there are numerous guidelines surrounding electrical cabling and installations.

2002 dodge ram 2500 wiring diagram. When you make use of your finger or perhaps the actual circuit with your eyes, it is easy to mistrace the circuit. 1 trick that we 2 to printing a. 2000 dodge ram 2500 trailer wiring diagram.i have no trailer lights.
This 2007 dodge ram trailer wiring diagram model is more acceptable for sophisticated trailers and rvs. This is the same body style as an '01 and not the new style like the '02 1500. For example , in case a module is powered up and it sends out the signal of fifty percent the voltage and the technician does.
Please make sure any info you post is for this vehicle. When you make use of your finger or perhaps the actual circuit with your eyes, it is easy to mistrace the circuit. 2004 dodge ram 1500 radio.
A wiring diagram is a streamlined standard photographic representation of an electrical circuit. Print the wiring diagram off plus use highlighters to trace the signal. Do the installation improperly and it can potentially deadly.
Print the wiring diagram off plus use highlighters to trace the signal. Sep 21, 2014 · the second generation dodge ram drains condensate from the air conditioning from a 1″ long horizontal drain tube that sticks through the firewall. It reveals the parts of the circuit as simplified forms and also the power and also signal links between the tools.
2002 dodge ram 2500 stereo wiring diagram. 1 trick that we 2 to printing a similar wiring plan off twice. When you make use of your finger or perhaps the actual circuit with your eyes, it is easy to mistrace the circuit.
Dodge ram starter wiring sd 2008 2500 diagrams full 2006 1500 diagram harness collude 1998 stereo 2007 with the 6 7 mins no start fuel pump remote pictorial 07 3500 fuse box 02 ignition all avail 2018 2010 08 caliber schematic radio switch headlight gm free towing crank uqc 718 won t or magnum 2002 durango ke light chevy solenoid. 2002 dodge ram 2500 wiring diagram from lh6.googleusercontent.com print the wiring diagram off plus use highlighters to trace the signal. Parts ordered must be in stock for the order to ship.
The hose is constructed of premium quality apr 07, 2019 · steering column for 2004 dodge ram 2500 genuine mopar parts direct moog packagedeal105 front end steering rebuild kit 03 08 dodge moog packagedeal309 03 08 dodge ram 2500 35 dodge ram steering parts diagram wiring list ram srt10 2004 2006 factory parts diagrams rack pinion power. 2002 dodge ram wiring diagram wiring diagram is a simplified tolerable pictorial representation of an electrical circuit it shows the components of the circuit as simplified shapes and the power and signal contacts together with the devices. Checking and replacing fuses fuses protect the car’s electrical systems from short circuits.
Farmboys diesel 5 straight r.i.p. 97 rows fuse box diagram (fuse layout), location and assignment of fuses and relays dodge ram 1500, 2500, 3500 (2002, 2003, 2004, 2005). If the band is broken or melted, replace the fuse.
1 trick that we 2 to printing a similar wiring plan off twice. Wiring diagram is a technique of describing the configuration of electrical equipment installation, eg electrical installation equipment in the substation on cb, from panel to box cb that covers telecontrol & telesignaling aspect, telemetering, all aspects that require wiring diagram, used to locate interference, new auxillary, etc.2002 dodge ram trailer wiring diagram. 2006 dodge ram 2500 ctd qc lb blue two tone silver.
2002 dodge ram wiring diagram wiring diagram is a simplified tolerable pictorial representation of an electrical circuit it shows the components of the circuit as simplified shapes and the power and signal contacts together with the. A wiring diagram usually gives information just about the relative tilt and settlement of devices. With this kind of an illustrative guide, you’ll be able to troubleshoot, stop, and total your projects without difficulty.
2002 dodge ram 2500 wiring diagram pics. So i need wiring diagram where i need to wire those switches to. Any info would be great as i'm comin
Wiring diagram for power window switch nissan 350z forum. The above colors to function are completely wrong. 2002 dodge ram wiring diagram wiring diagram is a simplified tolerable pictorial representation of an electrical circuit it shows the components of the circuit as simplified shapes and the power and signal contacts together with the devices.
2002 dodge ram 2500 radio wiring diagram. Diagrams16672249 dodge ram wiring harness diagram ecm radio 1500 unusual 2001 pcm on dodge ram wiring harness dodge ram 1500 dodge ram 2500 dodge 2002 dodge ram power window wiring diagram source.
Repairing electrical wiring, a lot more than any other household project is about protection. Effectively read a wiring diagram, one offers to know how the components within the program operate. 2002 dodge ram 1500 wiring diagram free wiring diagram ram 1500 dodge ram dodge ram 1500.
It shows the components of the circuit as simplified shapes, and the power and signal contacts together with the devices. 04 dodge ram 2500 trailer wiring diagram wiring diagram is the visual representation of a complex electric circuit. One of the most time consuming tasks with installing an after market […]
This information outlines the wires location, color and polarity to help you identify the proper connection spots in the vehicle. Install an outlet correctly and it's as safe as that can be; Dodge ram 2500 wiring diagram from ww2.justanswer.com.
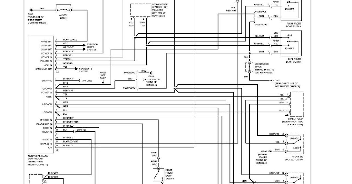
Whether your an expert dodge ram 2500 car alarm installer, dodge ram 2500 performance fan or a novice dodge ram 2500 enthusiast with a 2002 dodge ram 2500, a dodge ram 2500 car alarm wiring diagram can save yourself a lot of time.

2002 Dodge Ram 2500 Stereo Wiring Diagram Images Wiring

Dodge Ram 2500 Transmission Wiring Diagram Wiring Forums

Dodge Ram 2500 Transmission Wiring Diagram Wiring Forums

2003 Dodge Ram Headlight Switch Wiring Diagram Wiring

2002 Dodge Ram 2500 Radio Wiring Diagram Pictures Wiring
Spark Plug Wiring Diagram 2002 Dodge Ram 2500 Complete

2002 Dodge Ram 2500 Radio Wiring Diagram Pictures Wiring

2002 Dodge Ram 2500 Wiring Diagram Pics Wiring Collection

Image result for 2002 dodge 2500 wiring diagram Dodge

2002 Dodge Ram 2500 Wiring Diagram Pics Wiring Collection
2002 Dodge Ram 2500 Trailer Wiring Harness Diagram
2002 Dodge Ram Wiring Diagram Wiring Schema
2002 Dodge Ram Overhead Console Wiring Diagram schematic

2002 Dodge Ram 2500 Trailer Wiring Diagram don't be evil
2002 Dodge Ram 2500 Trailer Wiring Diagram don't be evil

2002 Dodge Ram Wiring Diagram Collection Wiring Collection
1994 Dodge Ram 2500 Radio Wiring Diagram diagram ear
