1994 Nissan Sentra Wiring Diagram
Car radio switched 12v+ wire: Parts fit for the following vehicle options.

1994 Nissan Sentra Wiring Diagram
Good luck with your 2004 nissan almeria se audio wiring.

1994 nissan sentra wiring diagram. Our 1994 nissan sentra radio wiring diagram shows you all the 1994 nissan sentra radio wire colors and what they do. It will extremely squander the time. June 11, 2013 at 8:17 pm.
Nissanpartsdeal.com offers the wholesale prices for genuine 1994 nissan sentra parts. Whether your an expert nissan electronics installer or a novice nissan enthusiast with a 1995 nissan sentra a car stereo wiring diagram can save yourself a lot of time. Knowing what every wire does in your 1994 nissan sentra radio wire harness takes the guess work out of changing your car radio or fixing your car stereo.
It is especially important that the precautions in the gl section be completely understood before. 4 cyl 1.6l, 4 cyl 2.0l. 1994 nissan quest car stereo radio wiring diagram.
Genuine nissan parts, the right choice. Air conditioning a/c wiring diagram, lever control type (1 of 2) for nissan sentra le 1994 a/c wiring diagram, lever control type (2 of 2) for nissan sentra le 1994 a/c wiring diagram, push control type (1 of 2) for nissan sentra le 1994 a/c wiring diagram, push control type all wiring diagrams for nissan sentra le 1994 model It is important to select your exact vehicle year as wiring inside the vehicle could change even though the vehicle appearance is the same.
Use our 1994 nissan sentra stereo wiring guide to install a new car radio. All factory electronics/ignition system components are in place and the factory wiring harness is in perfect condition. 5, 8 and 21, located in the fuse block (j/b
Parts like wiring are shipped directly from authorized nissan dealers and backed by the manufacturer's warranty. Parts fit for the following vehicle options. Changing spark plugs, brake fluids, oil changes, engine rebuilds, electrical faults.
Fuse box diagram (fuse layout), location, and assignment of fuses and relays nissan sentra (1990, 1991, 1992, 1993, 1994). Please verify all wire colors and diagrams before applying any information. 1991 nissan axxess 4dr wagon wiring information:
Nissan sentra service manual / body exterior, doors, roof & vehicle security / power window control. In order to assure your safety and the efficient functioning of the vehicle, this manual should be read thoroughly. The nissan sentra 1994 workshop manual pdf includes:
Wiring diagrams 1993 nissan sentra 1993 wiring diagrams nissan wiring diagrams nissan; 4 cyl 1.6l, 4 cyl 2.0l. Car radio constant 12v+ wire:
Nx, sentra identification component location menu component locations menu component figure no. 1994 nissan sentra cruise control wiring information: ( 1994 nissan sentra stereo information ) 1994 nissan sentra stereo wiring.
With this nissan sentra workshop manual, you can perform every job that could be done by nissan garages and mechanics from: Listed below is the vehicle specific wiring diagram for your car alarm remote starter or keyless entry installation into your 1995 1999 nissan sentra. Parts like relay are shipped directly from authorized nissan dealers and backed by the manufacturer's warranty.
This manual contains maintenance and repair procedures for the 1994 nissan sentra. 1994 nissan sentra cruise control wire colors, functions, and locations. Gxe, se, sr, std, xe.
Kevin, as much as we would like to assist you with your 2004 nissan almeria se, our website only features wire information about united states domestic market vehicles. Wiring diagrams 1993 nissan sentra 1993 wiring diagrams nissan wiring diagrams nissan; However below, past you visit this web page, it will be consequently definitely easy to get as without difficulty as download guide 1994 nissan sentra engine diagram it will not resign yourself to many grow old as we run by before.
Nissan sentra 1994 service repair manual. Can i please get a 1994 nissan sentra stereo wiring diagram? Nissanpartsdeal.com offers the wholesale prices for genuine 1994 nissan sentra parts.
1.check fuse check fuses [no. Ignition switch harness or use hot side of brake: The vehicle used for drawing up these application docs was a usdm 1994 nissan sentra ga16 with a manual transmission.
Please copy and paste the link below instead: The declaration 1994 nissan sentra engine diagram that you are looking for. I need the wiring diagram for the radio on a 1994.

I have a 1994 nissan sentra xe with a 1.6 liter engine that seems to be running ruff at idle or
94 Sentra Fuse Diagram Wiring Diagram Networks

Nissan 1994 Sentra Manual Download Free Apps sharebackuper

40 1994 Nissan Sentra Wiring Diagram Wiring Niche Ideas
How can I find information about the electrical wiring diagram for fixing power windows and

How can I find information about the electrical wiring diagram for fixing power windows and
I installed a stereo into my 1994 Nissan Sentra and now neither my dash lights, turn signals, or
I have a 1994 Nissan Sentra with a 5 speed manual trans. It runs fine if I roll start it, but

[DIAGRAM] Under Hood Lights Wiring Diagram FULL Version HD Quality Wiring Diagram

1994 Nissan Quest Radio Wiring
Wiring Diagram Of Nissan Sentra schematic and wiring diagram
Nissan 240sx alternator wiring
58 1994 Nissan Sentra Wiring Diagram Wiring Diagram Harness

1994 sentra. won't start. starter does not engage with key.run a jumper wire to the solenoid and

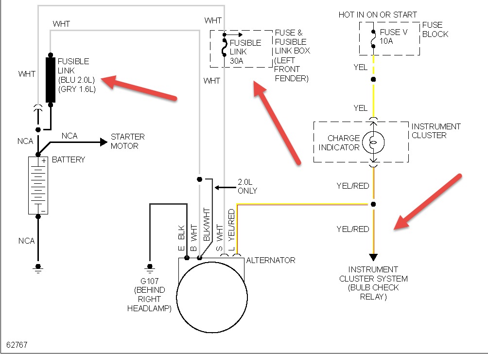
Nissan Sentra Alternator Wiring Diagram Wiring Diagram

1994 sentra. won't start. starter does not engage with key.run a jumper wire to the solenoid and
